詳解消防專用電話系統【施工維保值得收藏】
1. 消防專用電話系統
消防電話系統是一種消防專用的通訊系統,通過這個系統可迅速實現對火災的人工確認,并可及時掌握火災現場情況及進行其它必要的通訊聯系,便于指揮滅火及現場恢復工作。
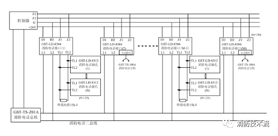
下面以海灣總線制消防電話系統為例,總線制消防電話由消防電話總機、火災報警控制器(聯動型)、消防電話接口、固定消防電話分機、消防電話插孔、手提消防電話分機構成。
總線制消防電話總機必須通過消防電話接口連接固定 / 手提電話分機,其允許接入消防電話接口的數量有限,一般為90只。
而一個消防防電話接口可連接一臺固定消防電話分機或最多25只消防電話插孔。
2. GST-TS-Z01A型消防電話總機

2.1 特點
主要具有以下特點:
(1)每臺總機可以連接最多 90 路消防電話分機或 2100 個消防電話插孔;
(2)總機采用液晶圖形漢字顯示,通過顯示漢字菜單及漢字提示信息,非常直觀的顯示了各種功能操作及通話呼叫狀態,使用非常便利;
(3)在總機前面板上設計有 15 路的呼叫操作鍵和狀態指示燈,和現場電話分機形成一對一的按鍵操作和狀態指示,使得呼叫通話操作非常直觀方便;
2.3
GST-TS-Z01A型消防電話總機外形尺寸及結構示意圖如圖 6- 1 :

總機內部接線:
機殼地:與機架的地端相接
DC24V 電源輸入:接 DC24V
RS485 接控制器:與火災報警控制器相連接系統外部接線:
通話輸出:消防電話總線,與 消防電話接口連接
布線要求:通話輸出端子接線采用截面積≥1.0mm2 的阻燃RVVP屏蔽線,最大傳輸距離 1500 米。
特別注意:布線時,總線通話線必須單獨穿線,不要同控制器總線同管穿線,否則會對通話聲產生很大的干擾。
3. 消防電話分機

消防電話分機是消防專用總線制通訊設備,該電話分機為固定式安裝,摘機即呼叫電話主機;另一個分機為手提式,可直接插入電話插孔呼叫電話主機。


4. 消防電話插孔
該型號消防電話插孔是非編碼設備,主要用于將手提消防電話分機連入消防電話系統。
消防電話插孔需通過消防電話接口接入消防電話系統,不能直接接入消防電話總線。多個消防電話插孔可并連使用,接線方便、靈活。每只消防電話接口最多可連接 25 只消防電話插孔。


內部接線:
TL1、TL2:消防電話線,與消防電話接口連接的端子。端子 XT1 電話線輸入端,端子 XT2 電話線輸出端,接下一個電話插孔,最末端電話插孔 XT2 接線端子接 15kΩ終端電阻
布線要求:TL1、TL2 采用截面積≥1.0mm2 的阻燃RVVP屏蔽線。
5.手動報警按鈕的消防插孔
手動火災報警按鈕安裝在公共場所,本報警按鈕含電話插孔。將消防電話分機插入手報按鈕上的電話插孔即可與電話主機通訊。

內部接線:
Z1、Z2:無極性信號二總線接線端子。
K1、K2:額定 DC30V/100mA 無源輸出端子,當報警按鈕按下時,輸出觸點閉合信號,可直接控制外部設備。
TL1、TL2:與 消防電話接口連接的端子。


布線要求:信號 Z1、Z2 采用阻燃 RVS 雙絞線,截面積≥1.0mm2 ;消防電話線 TL1、TL2 采用阻燃 RVVP 屏蔽線,截面積≥1.0mm2 。
作為手動火災報警按鈕使用時,將報警按鈕的 Z1、Z2 端子直接接入火災報警控制器總線上即可。作為手動火災報警按鈕及消防電話插孔使用時,將報警按鈕的 Z1、Z2 端子直接接入火災報警控制器總線上,同時將報警按鈕的 TL1、TL2 端子與消防電話模塊連接,如圖 2-6 所示(最末端報警按鈕的 TL1、TL2 接線端子接 4.7kΩ 終端電阻)。

6. 消防電話接口
該型號型消防電話接口主要用于將手提/固定消防電話分機連入總線制消防電話系統,是一種編碼接口,占用一個編碼點,與火災報警控制器進行通訊實現消防電話總機和消防電話分機的駁接,同時也實現消防電話總線斷、短檢線功能。

消防電話接口可連接一臺固定消防電話分機或最多連接 25 只消防電話插孔。可通過四線水晶頭插座直接連接 固定電話分機,通過連接 TL1、TL2 端子的電話線連接消防電話插孔。多個電話插孔可并接在此電話線上。其對外端子示意圖如圖 6- 9 所示:
圖 6- 9

內部接線:
Z1、Z2:接火災報警控制器兩總線,無極性
D1、D2:DC24V 電源,無極性
TL1、TL2:與 消防電話插孔連接的端子
L1、L2:消防電話總線,無極性
布線要求:Z1、Z2 采用截面積≥1.0mm2 的阻燃RVS雙絞線,DC24V電源線采用截面積≥1.5mm 2 的阻燃BV線,TL1、TL2、L1、L2 采用截面積≥1.0mm2 的阻燃RVVP屏蔽線。

海灣消防公司主營:海灣消防報警系統銷售,消防設備安裝,海灣氣體滅火、海灣電氣火災、消防水噴淋系統施工安裝,售后維修,海灣消防網站:http://www.qhjuheng.com/;海灣消防服務熱線:4006-598-119
本頁關鍵詞:詳解消防專用電話系統【施工維保值得收藏】
上一篇:消防設備主要會出現哪些故障呢 下一篇:海灣消防維修保養方案


蘇公網安備32058102002147號