LZ1001手動火災報警按鈕立柱
LZ1001手動火災報警按鈕立柱產品介紹
LZ1001手動火災報警按鈕立柱碳鋼材質,與LZ10011手動報警按鈕防雨罩配套使用,適用于在室外安裝J-SAM-GST9116手動報警按鈕,不含防雨罩。
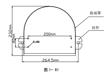
LZ10011型防雨罩壁掛安裝時需配用掛件進行安裝,壁掛安裝示意圖如圖1-61所示。
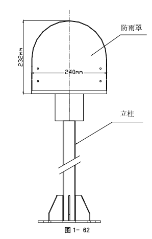
LZ10011型防雨罩與LZ1001型立柱配套安裝示意圖如圖1-62所示。
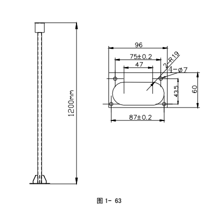
LZ1001型立柱外形示意圖如圖1-63所示。
智淼君安(江蘇)消防工程技術有限公司http://www.qhjuheng.com/海灣消防公司主營:海灣消防報警系統銷售,消防設備安裝,海灣氣體滅火、海灣電氣火災、消防水噴淋系統施工安裝,售后維修,海灣消防網站:http://www.qhjuheng.com/;海灣消防服務熱線:4006-598-119
本頁關鍵詞:LZ1001手動火災報警按鈕立柱
上一篇:LZ1000手動火災報警按鈕立柱 下一篇:LZ10001手動火災報警按鈕防雨罩
產品中心




蘇公網安備32058102002147號